PPH Backing Rings
PPH Backing Rings are mechanical support components used in conjunction with stub-end flanges to reinforce flange connections in PPH piping systems. Made from durable Polypropylene Homopolymer (PPH) or reinforced materials (such as steel with PPH coating), these rings ensure uniform load distribution and enhanced sealing capability when bolted.
They are widely used in chemical processing, water treatment, and corrosive fluid handling applications where thermoplastic piping requires robust flange support—particularly critical in the demanding industrial environments across the UAE.
PPH Backing Rings
Key Features Of PPH Backing Rings
- High Mechanical Support: Enhances flange joint strength and stability.
- Chemical Resistance: PPH material is inert to most industrial acids and alkalis.
- Corrosion-Free Options: Available in full PPH or coated versions to suit corrosive applications.
- Uniform Load Distribution: Ensures reliable, leak-proof sealing under high-pressure connections.
- Compatible with Thermoplastic Flanges: Works seamlessly with PPH stub ends and flanged systems.
- UV and Weather Resistant: Suitable for outdoor installations and harsh environmental conditions in the UAE.
- Reusable Design: Durable for multiple assemblies or system adjustments.

Technical Details of PPH Backing Rings
Specification | Details |
---|---|
Product Type | PPH Backing Ring |
Material Options | Polypropylene Homopolymer (PPH), or PPH-coated steel |
Application Use | For use with stub-end flange connections in PPH piping systems |
Size Range | DN20 to DN400 (¾” to 16”) |
Pressure Rating | PN10 / PN16 (depending on system design and flange type) |
Temperature Range | 0°C to +100°C (short-term up to 110°C) |
Color | Typically Black or Grey |
Corrosion Resistance | Excellent – non-metallic and non-reactive in harsh chemical environments |
Installation | Bolted with matching flanges and gaskets |
Standards Compatibility | DIN 2501, ISO 7005, and ANSI flange systems |
Applications | Suitable for chemical plants, wastewater systems, desalination plants, food processing, and other industrial pipelines across the UAE |

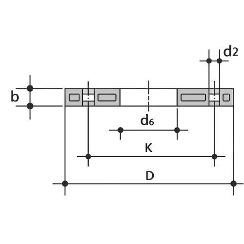
d (mm) | DN | PMA (bar) | b (mm) | k (mm) | d₂ (mm) | d₆ (mm) | D (mm) | n |
---|---|---|---|---|---|---|---|---|
20 | 15 | 16 | 12 | 65 | 14 | 28 | 95 | 4 |
25 | 20 | 16 | 14 | 75 | 14 | 34 | 105 | 4 |
32 | 25 | 16 | 14 | 85 | 14 | 42 | 115 | 4 |
40 | 32 | 16 | 16 | 100 | 18 | 51 | 140 | 4 |
50 | 40 | 16 | 16 | 110 | 18 | 62 | 150 | 4 |
63 | 50 | 16 | 19 | 125 | 18 | 78 | 165 | 4 |
75 | 65 | 16 | 19 | 145 | 18 | 92 | 185 | 4 |
90 | 80 | 16 | 21 | 160 | 18 | 108 | 200 | 8 |
110 | 100 | 16 | 22 | 180 | 18 | 128 | 220 | 8 |
125 | 100 | 16 | 22 | 180 | 18 | 135 | 220 | 8 |
140 | 125 | 16 | 26 | 210 | 18 | 158 | 250 | 8 |
160 | 150 | 16 | 27 | 240 | 22 | 178 | 285 | 8 |
180 | 150 | 16 | 27 | 240 | 22 | 188 | 285 | 8 |
200 | 200 | 16 | 28 | 295 | 22 | 235 | 340 | 8 |
225 | 200 | 16 | 28 | 295 | 22 | 238 | 340 | 8 |
250 | 250 | 16 | 31 | 350 | 22 | 288 | 395 | 12 |
280 | 250 | 16 | 31 | 350 | 22 | 294 | 395 | 12 |
315 | 300 | 16 | 34 | 400 | 22 | 338 | 445 | 12 |
355 | 350 | 16 | 42 | 460 | 22 | 376 | 515 | 16 |
400 | 400 | 16 | 46 | 515 | 26 | 430 | 574 | 16 |
- d – Nominal Outer Diameter of Pipe (mm)
- DN – Nominal Diameter (Nominal Bore Size)
- PMA – Permissible Maximum Pressure (bar)
- b – Flange Thickness
- k – Pitch Circle Diameter (PCD)
- d₂ – Bolt Hole Diameter
- d₆ – Inner Diameter of Backing Ring
- D – Outer Diameter of Backing Ring
- n – Number of Bolt Holes

Custom Product Manufacturing Available
If you are searching for customized product designs that meet your requirements, don’t worry. Petron Thermoplast also offers custom product manufacturing services to meet the unique needs of various industries. Work with our expert engineers to create custom designs suited for your application.