PPH Coupler
The PPH Coupler is a straight-line fitting used to securely join two sections of Polypropylene Homopolymer (PPH) piping. Engineered for reliable performance in aggressive chemical and fluid environments, this coupler ensures a leak-proof, corrosion-resistant joint between PPH pipes of the same diameter.
It is widely used in chemical plants, water treatment facilities, marine applications, and industrial fluid systems throughout the UAE, where durability, thermal resistance, and ease of installation are critical.
PPH Coupler
Key Features Of PPH Coupler
- Secure Pipe Connection: Joins two PPH pipes of equal diameter for continuous flow.
- Excellent Chemical Resistance: Withstands acids, alkalis, and corrosive media.
- High Mechanical Strength: Handles high internal pressure and external stress.
- Fusion Weld Compatible: Designed for socket welding or butt welding.
- Corrosion-Free: Non-metallic material resists scaling, rust, and pitting.
- Low Maintenance: Long operational life with minimal maintenance requirements.
- UV-Resistant Options: Suitable for both indoor and outdoor use in harsh UAE conditions.

Technical Details of PPH Coupler
Specification | Details |
---|---|
Product Type | PPH Coupler |
Material | Polypropylene Homopolymer (PPH) |
Connection Type | Plain ends for socket or butt welding |
Available Sizes | DN15 to DN315 (½” to 12") |
Pressure Rating | PN10 / PN16 |
Temperature Range | 0°C to +100°C (short-term up to 110°C) |
Color | Light Grey |
Density at 23°C | ~0.91 g/cm³ |
Tensile Strength | ≥25 MPa |
Chemical Compatibility | Resistant to acids, bases, salts, and industrial solvents |
Welding Standards | DIN 8077/8078, ISO 161 |
Applications | Chemical transfer lines, dosing systems, effluent treatment, brine pipelines, industrial piping in oil & gas, water treatment plants in the UAE |

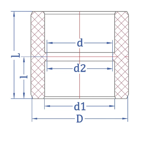
Size (mm) | d1 (mm) | d2 (mm) | l (mm) | D (mm) | d (mm) | H (mm) |
---|---|---|---|---|---|---|
20 | 19.3 | 19.0 | 16.2 | 28.0 | 13.0 | 27.2 |
25 | 24.1 | 23.8 | 18.2 | 33.6 | 18.0 | 32.4 |
32 | 31.0 | 30.7 | 20.2 | 42.4 | 25.0 | 37.4 |
40 | 39.0 | 38.6 | 22.2 | 52.6 | 31.0 | 42.6 |
50 | 49.0 | 48.6 | 25.2 | 66.0 | 39.0 | 50.1 |
63 | 61.9 | 61.4 | 28.6 | 84.4 | 49.0 | 61.2 |
75 | 73.6 | 72.3 | 31.5 | 95.8 | 58.2 | 69.8 |
90 | 88.3 | 86.9 | 36.2 | 113.7 | 69.8 | 81.4 |
110 | 108.0 | 106.4 | 42.0 | 138.4 | 85.4 | 97.2 |
- d1 – Inner Diameter of Socket End 1
- d2 – Inner Diameter of Socket End 2
- l – Socket Insertion Length
- D – Outer Diameter of Structural Part
- d – Inner Diameter of Structural Part
- H – Total Height of the Fitting

Custom Product Manufacturing Available
If you are searching for customized product designs that meet your requirements, don’t worry. Petron Thermoplast also offers custom product manufacturing services to meet the unique needs of various industries. Work with our expert engineers to create custom designs suited for your application.