HDPE Blind Flange
A HDPE Blind Flange is a solid pipe fitting made of high-density polyethylene (HDPE) used to close the end of a pipe or valve, effectively stopping flow in a pipeline. Unlike regular flanges, it does not have a passage for fluid, making it ideal for sealing, maintenance, or testing purposes. HDPE blind flanges are durable, corrosion-resistant, lightweight, and easy to install, and they are commonly used in water supply, sewage, irrigation, and industrial piping systems. They are usually connected to HDPE pipes via butt fusion or socket fusion, providing a strong, leak-proof joint.
HDPE Blind Flange
- Durable Material: Made from high-density polyethylene (HDPE) offering excellent strength, corrosion resistance, and long service life.
- Sealing Capability: Effectively closes the end of a pipe or valve to stop fluid flow.
- Lightweight: Easier to handle, transport, and install compared to metal flanges.
- Leak-Proof Connection: Can be joined to HDPE pipes using butt fusion or socket fusion for a secure, reliable seal.
- Chemical Resistance: Resistant to a wide range of chemicals, suitable for industrial applications.
- Versatile Applications: Ideal for water supply, sewage, irrigation, and chemical piping systems.
- Maintenance-Friendly: Facilitates easy pipe system isolation for maintenance or testing purposes.
- Cost-Effective: Long-lasting and requires minimal maintenance compared to traditional metal flanges.
Technical Details of HDPE Blind Flange
| Specification | Specification |
|---|---|
| Product Type | HDPE Blind Flange |
| Size Range | (OD): 20 mm to 400mm |
| SDR | SDR11, SDR21, SDR33 and SDR17 |
| Pressure Rating | PN 6,PN 10,PN 16, PN 20 |
| Temperature Range | –40°C to +60°C |
| Color | Black |
| Density | 0.941 – 0.965 g/cm³ |
| Tensile Strength | ≥ 20 MPa |
| Welding Compatibility | Butt Fusion / Socket Fusion |
| Chemical Resistance | Excellent against acids, alkalis, and salts. |
| Applications | Gas distribution , Sewage treatment, Industrial fluid handling, Mining & slurry transportation and Firefighting networks |
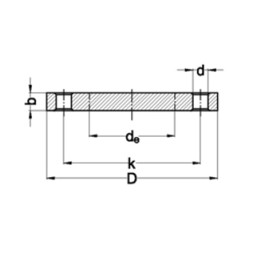
| de/DN | bar | D | k | b | d | n | M |
|---|---|---|---|---|---|---|---|
| 20/15 | 16 | 95 | 65 | 12 | 14 | 4 | M12 |
| 25/20 | 16 | 105 | 75 | 12 | 14 | 4 | M12 |
| 32/25 | 16 | 115 | 85 | 16 | 14 | 4 | M12 |
| 40/32 | 16 | 140 | 100 | 16 | 18 | 4 | M16 |
| 50/40 | 16 | 150 | 110 | 18 | 18 | 4 | M16 |
| 63/50 | 16 | 165 | 125 | 18 | 18 | 4 | M16 |
| 75/65 | 16 | 185 | 145 | 18 | 18 | 4 | M16 |
| 90/80 | 16 | 200 | 160 | 18 | 18 | 8 | M16 |
| 110/100 | 16 | 220 | 180 | 18 | 18 | 8 | M16 |
| 125/100 | 16 | 220 | 180 | 18 | 18 | 8 | M16 |
| 140/125 | 16 | 250 | 210 | 24 | 18 | 8 | M16 |
| 160/150 | 16 | 285 | 240 | 24 | 22 | 8 | M20 |
| 180/150 | 16 | 285 | 240 | 24 | 22 | 8 | M20 |
| 200/200 | 16 | 340 | 295 | 24 | 22 | 8 | M20 |
| 225/200 | 16 | 340 | 295 | 24 | 22 | 8 | M20 |
| 250/250 | 16 | 405 | 350 | 30 | 22 | 12 | M20 |
| 280/250 | 16 | 405 | 350 | 30 | 22 | 12 | M20 |
| 315/300 | 16 | 463 | 400 | 34 | 22 | 12 | M20 |
| 355/350 | 10 | 515 | 460 | 42 | 22 | 16 | M20 |
| 400/400 | 10 | 574 | 515 | 46 | 27 | 16 | M24 |
-
de/DN → Outside Diameter (de) / Nominal Diameter (DN)
-
bar → Pressure Rating (in bar)
-
D → Flange Outside Diameter (mm)
-
k → Pitch Circle Diameter (PCD) (mm)
-
b → Flange Thickness (mm)
-
d → Bolt Hole Diameter (mm)
-
n → Number of Bolt Holes
-
M → Bolt Size (Metric thread, e.g., M12, M16)

Customization & Processing Options
Customizations Option Available for HDPE Blind Flange
At Petron Thermoplast, we offer customized PVDF fittings to meet your specific system requirements.
Customization options include:
- Tailor-made dimensions and wall thicknesses
- Custom-molded and machined PVDF fittings
- Pre-fabricated manifolds and assemblies
- Choice of connection type (butt fusion, socket fusion, or flanged)
- OEM branding or marking options
