PVDF Female Threaded Adaptor
The PVDF Female Threaded Adaptor is a high-performance pipe fitting designed to connect PVDF piping systems to male-threaded components. Made from Polyvinylidene Fluoride (PVDF), this adaptor offers outstanding chemical resistance, mechanical strength, and temperature stability. Its precisely molded female threads ensure a tight, secure connection for use in demanding fluid handling systems. It is ideal for applications involving aggressive chemicals, high purity media, and corrosive environments across industries such as chemical processing, pharmaceuticals, and water treatment.
PVDF Female Threaded Adaptor
- Excellent Chemical Resistance: Resistant to a wide range of acids, bases, and solvents.
- High-Purity PVDF Material: Suitable for ultrapure water and contamination-sensitive applications.
- Strong, Precision Threads: Ensures leak-proof connections with male-threaded fittings.
- Thermal and Mechanical Stability: Performs reliably at high temperatures and pressures.
- UV and Corrosion Resistant: Suitable for harsh outdoor or industrial environments.
- Lightweight and Easy to Install: Reduces installation time and effort.
Technical Details of PVDF Female Threaded Adaptor
| Specification | Details |
|---|---|
| Material | Virgin PVDF (Polyvinylidene Fluoride) |
| Size Range | 1/2″ to 4″ (DN15 to DN100) |
| Connection Type | Socket weld × Female threaded |
| Thread Standards | BSPT, NPT (custom threads available on request) |
| Operating Pressure | Up to 16 bar (232 PSI) |
| Temperature Range | -20°C to +120°C |
| Color | Natural white / translucent |
| Compliance Standards | ASTM D3222, DIN 8077/8078, ISO 10931 |
| Certifications | RoHS, REACH, FDA, USP Class VI (on request) |
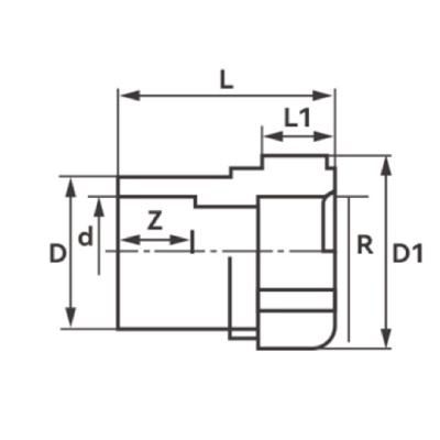
| Dimension (mm) | PN | d (mm) | D (mm) | L (mm) | L1 (mm) | D1 (mm) | Z (mm) | R (inch) |
|---|---|---|---|---|---|---|---|---|
| 20 | 16 | 19.2 | 30 | 44 | 16 | 32 | 15 | 1/2 |
| 25 | 16 | 24.2 | 35 | 50 | 18 | 40 | 17 | 3/4 |
| 32 | 16 | 31.1 | 43 | 56 | 20 | 45 | 18 | 1 |
| 40 | 16 | 39.0 | 51 | 62 | 24 | 54 | 20 | 1 1/4 |
| 50 | 16 | 48.9 | 63 | 67 | 26 | 69 | 23 | 1 1/2 |
| 63 | 16 | 61.9 | 79 | 73 | 29 | 83 | 28 | 2 |
- Dimension (mm) – Nominal pipe size (outer diameter standard in mm)
- PN – Pressure Nominal (rated pressure in bar, e.g., PN16 = 16 bar)
- d (mm) – Pipe Inner Diameter (bore)
- D (mm) – Outer Diameter of Union Body
- L (mm) – Total Length of the Union
- L1 (mm) – Length of Socket/Thread End
- D1 (mm) – Diameter across flats or major union cap diameter
- Z (mm) – Installation/Engagement Length
- R (inch) – Thread Size in Inches (e.g., 1/2″, 3/4″, etc.)
| Specification | Details |
| Material | Virgin PVDF (Polyvinylidene Fluoride) |
| Size Range | 1/2″ to 4″ (DN15 to DN100) |
| Connection Type | Socket weld × Female threaded |
| Thread Standards | BSPT, NPT (custom threads available on request) |
| Operating Pressure | Up to 16 bar (232 PSI) |
| Temperature Range | -20°C to +120°C |
| Color | Natural white / translucent |
| Compliance Standards | ASTM D3222, DIN 8077/8078, ISO 10931 |
| Certifications | RoHS, REACH, FDA, USP Class VI (on request) |

Customization & Processing Options
Customizations Option Available for PVDF Female Threaded Adaptor
At Petron Thermoplast, we offer customized PVDF fittings to meet your specific system requirements.
Customization options include:
- Tailor-made dimensions and wall thicknesses
- Custom-molded and machined PVDF fittings
- Pre-fabricated manifolds and assemblies
- Choice of connection type (butt fusion, socket fusion, or flanged)
- OEM branding or marking options
