PVDF Flange Type Valve
The PVDF Flange Type Valve is a robust valve designed for reliable flow control in corrosive and high-purity fluid systems. Constructed with a chemically resistant polyvinylidene fluoride (PVDF) body, this valve is ideal for industrial applications requiring secure, flange-mounted connections such as chemical processing, water treatment, and pharmaceutical manufacturing.
PVDF Flange Type Valve
- Durable PVDF Construction: Provides excellent resistance to a wide range of aggressive chemicals and solvents
- Flanged Ends: Standardized flange connections (DIN/ANSI) for secure, leak-proof installation and easy maintenance
- Tight Sealing: High-performance seals made from EPDM or FPM (Viton) for leak-free operation
- Versatile Operation: Available in manual, pneumatic, or electric actuation options
- Pressure and Temperature Resilience: Suitable for demanding operating conditions with up to 10 bar pressure and temperatures up to 120°C
- Smooth Flow Path: Optimized internal design minimizes pressure drop and turbulence
- Low Maintenance: Corrosion resistance and simple design reduce service requirements
- Compliance: Manufactured according to international standards ensuring quality and safety
Technical Details of PVDF Flange Type Valve
| Parameter | Specification |
|---|---|
| Body Material | PVDF (Polyvinylidene Fluoride) |
| Seal Material | EPDM or FPM (Viton) |
| Size Range | DN15 to DN150 (½” to 6”) |
| Connection Type | Flanged (DIN/ANSI standard) |
| Pressure Rating | Up to PN10 / 10 bar (150 PSI) |
| Temperature Range | -10°C to +120°C |
| Operation Type | Manual, Pneumatic, or Electric |
| Flow Characteristic | Linear or Quick Open/Close (depending on valve type) |
| Standards | DIN, ANSI, ISO |
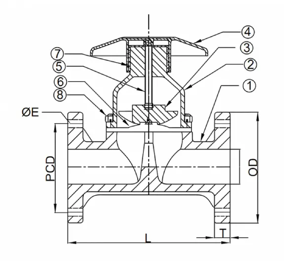
| SIZE | d ±3MM | L ±3MM | OD ±1MM | T ±1MM | PCD ±1.6MM | ØE ±0.5MM | n |
|---|---|---|---|---|---|---|---|
| 25MM | 25 | 152 | 120 | 17 | 79 | 14 | 04 |
| 40MM | 38 | 180 | 140 | 17 | 98 | 14 | 04 |
| 50MM | 50 | 213 | 165 | 19 | 121 | 18 | 04 |
| 65MM* | 75 | 281 | 203 | 23 | 140 | 18 | 04 |
| 80MM | 75 | 281 | 203 | 23 | 152 | 18 | 04 |
| 100MM | 100 | 313 | 230 | 24 | 191 | 18 | 08 |
d – Inside Diameter / Bore Diameter
L – Face-to-Face Length of the Valve (Overall Length)
OD – Outside Diameter of Flange
T – Flange Thickness
PCD – Pitch Circle Diameter (Bolt Circle Diameter)
ØE – Bolt Hole Diameter
n – Number of Bolt Holes

Customization & Processing Options
Customizations Option Available for PVDF Flange Type Valve
At Petron Thermoplast, we offer customized PVDF fittings to meet your specific system requirements.
Customization options include:
- Tailor-made dimensions and wall thicknesses
- Custom-molded and machined PVDF fittings
- Pre-fabricated manifolds and assemblies
- Choice of connection type (butt fusion, socket fusion, or flanged)
- OEM branding or marking options
