PVDF Gear Operated Butterfly Valve
The PVDF Gear Operated Butterfly Valve is a robust and reliable quarter-turn valve designed for precise flow control in aggressive chemical and industrial environments. Made from high-quality Polyvinylidene Fluoride (PVDF), this valve offers outstanding chemical resistance, durability, and mechanical strength. The gear operation mechanism provides smooth, controlled valve actuation, making it suitable for larger sizes or higher pressure applications where manual leverage is required. Ideal for industries such as chemical processing, pharmaceuticals, water treatment, and semiconductor manufacturing.
PVDF Gear Operated Butterfly Valve
- Material Durability: Constructed from PVDF for excellent resistance to corrosive chemicals and solvents.
- Gear Operated Mechanism: Provides controlled and easy manual operation, especially for larger valve sizes.
- Compact Design: Space-saving and lightweight construction for easier installation.
- Bubble-Tight Shutoff: High-quality sealing ensures minimal leakage and reliable flow control.
- Wide Range of Sizes: Available in multiple sizes to suit various piping systems.
- Low Maintenance: Resistant to wear and corrosion, requiring minimal upkeep.
- Versatile Installation: Can be mounted in any position to suit system requirements.
- Temperature and Pressure Resistant: Suitable for moderate temperature and pressure ranges typical to chemical handling.
Technical Details of PVDF Gear Operated Butterfly Valve
| Technical Parameter | Specification |
|---|---|
| Body Material | PVDF (Polyvinylidene Fluoride) |
| Disc Material | PVDF or reinforced PVDF |
| Seat Material | PTFE, FKM, or EPDM (depending on application) |
| Operation Type | Manual gear operated |
| Connection Types | Wafer, Lug, or Flanged |
| Size Range | 2″ to 12″ (50 mm to 300 mm) |
| Pressure Rating | Up to 10 bar (depending on size and design) |
| Temperature Range | -20°C to +100°C (varies with seat material) |
| Gear Ratio | Typically 20:1 for easy operation |
| Mounting Position | Any position |
| Applicable Standards | ISO, ANSI, DIN (depending on model) |
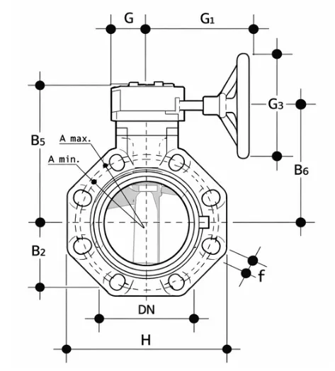
| D | DN | PN | B2 | B5 | B6 | H | G | G1 | G3 |
|---|---|---|---|---|---|---|---|---|---|
| 75 | 65 | 10 | 80 | 174 | 146 | 165 | 48 | 135 | 125 |
| 90 | 80 | 10 | 93 | 188 | 160 | 185 | 48 | 135 | 125 |
| 110 | 100 | 10 | 107 | 202 | 174 | 211 | 48 | 135 | 125 |
| 140 | 125 | 10 | 120 | 222 | 194 | 240 | 48 | 144 | 200 |
| 160 | 150 | 10 | 134 | 235 | 207 | 268 | 48 | 144 | 200 |
| 225 | 200 | 10 | 161 | 287 | 256 | 323 | 65 | 204 | 200 |
| 280 | 250 | 10 | 210 | 317 | 281 | 405 | 88 | 236 | 250 |
| 315 | 300 | 10 | 210 | 317 | 281 | 405 | 88 | 236 | 250 |
D: Diameter (Outer body or flange)
DN: Diameter Nominal (Internal pipe size)
PN: Pressure Nominal (Pressure rating)
B2: Lower Body Height (Centerline to bottom)
B5: Upper Assembly Height (Centerline to top of gearbox)
B6: Handwheel Centerline Height (Centerline to handwheel axis)
H: Overall Body Width (Total horizontal span)
G: Gearbox Offset (Centerline to rear of gearbox)
G1: Handwheel Extension (Centerline to outer handwheel edge)
G3: Handwheel Diameter (Total width of the wheel)

Customization & Processing Options
Customizations Option Available for PVDF Gear Operated Butterfly Valve
At Petron Thermoplast, we offer customized PVDF fittings to meet your specific system requirements.
Customization options include:
- Tailor-made dimensions and wall thicknesses
- Custom-molded and machined PVDF fittings
- Pre-fabricated manifolds and assemblies
- Choice of connection type (butt fusion, socket fusion, or flanged)
- OEM branding or marking options
